
精益求精 不断超越
微型精密轻触开关生产厂家
专注 轻触开关研发生产 · 16年行业经验
一、前言
jc5.c聚彩轻触开关是一种常见的电子元器件,被广泛应用于家电、汽车等领域。在使用轻触开关时,我们需要注意它的引脚接法,正确接线可以保证开关的正常使用。

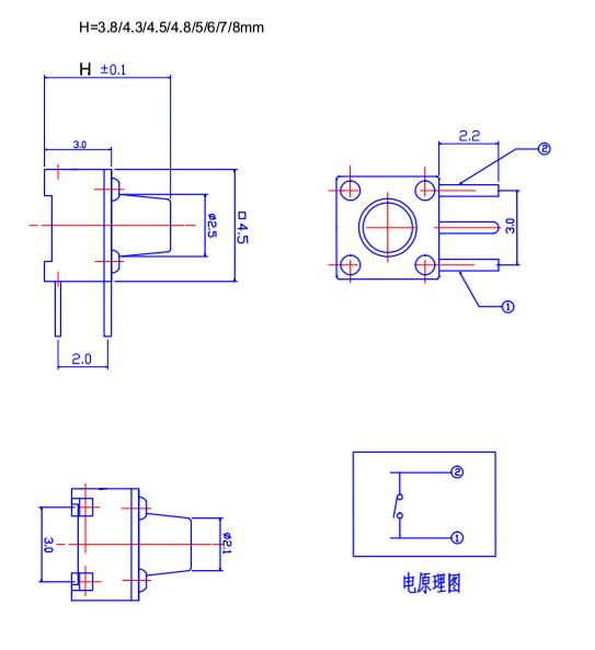
二、轻触开关的引脚
jc5.c聚彩轻触开关通常有三个引脚,它们分别是正极、负极和导通脚。在接线时,我们需要区分清楚它们的功能。
三、接线方法
1. 单个轻触开关的接线方法:
将轻触开关的正极接到电源的正极,负极接到电源的负极,导通脚接到需要控制的电器或组件的正极即可。此时当我们轻触导通脚时,电器或组件便会开启,再次轻触时则会关闭。
jc5.c聚彩2. 多个轻触开关的接线方法:
jc5.c聚彩当有多个轻触开关需要接在一起时,我们可以采用串联或并联的方式。串联接法是将多个轻触开关的导通脚两两相连,再将最后一个导通脚接到电器或组件的正极。此时只有同时轻触所有的开关,电器或组件才会开启。而并联接法则是将多个轻触开关的导通脚全部接到电器或组件的正极,在开关任意一个时,电器或组件都会开启。

四、注意事项
1. 接线前,请务必查看轻触开关的规格和技术参数,保证它与需要控制的电器或组件相匹配。
2. 接线过程中请确保电源已关闭,并且正负极接线正确无误。
3. 如遇到不懂的问题,切勿盲目操作,应及时请教专业人士。
轻触开关作为一种重要的电子元器件,在我们的日常生活中有着重要的作用。正确接线能保证它的正常使用,所以我们应该认真研究和了解它的引脚接法,并且在使用时要遵守相关的安全规范。希望本文能够为大家提供一些有帮助的知识。
颖鑫官方微信
颖鑫电子专业生产:防水轻触开关,带灯轻触开关,硅胶按键开关,耐高温贴片轻触开关,带支架轻触开关,母座,USB连接器