jc5.c聚彩

采购批发各种规格轻触开关,母座,插座系列.请选择东莞市颖鑫电子科技有限公司.价格优惠.质量稳定

新闻资讯 / NEWS

16年—轻触开关厂家经验
Focused On Touch Switch

  • 全国咨询热线:
    0769-3337 3777
  • QQ在线咨询
  • 公司邮箱:
  • 公司网址:

轻触开关有没有方向

  • 发布日期:2023-10-12 09:16:29
  • 点击数:

分享到:

jc5.c聚彩轻触开关是可以有方向的,这种类型的轻触开关叫五向开关

什么是五向轻触开关

五向轻触开关

五向轻触开关是一种开关,具有五个不同方向的轻触功能。这意味着可以通过在不同的方向上轻触开关来实现不同的操作。例如,可以通过向上轻触来打开电灯,向下轻触来关闭电灯,向左轻触来切换电灯的亮度,向右轻触来调整电灯的颜色,向中间轻触来启动其他功能等。

五向轻触开关通常用于智能家居系统或其他应用,以提供多功能控制和操作选项。五向开关中央有一个固定的定点,也操作为公用触点,可以通过这个触点来完成断电与通电功能。五向开关大致是一个正方形,周边被一层金属外壳包裹着并对应着多个固定的触点,分别设置了多个固定触点金属弹片。五向开关不可以独立存在完成工作,它需要配合PCB线路板或其它来完成工作。

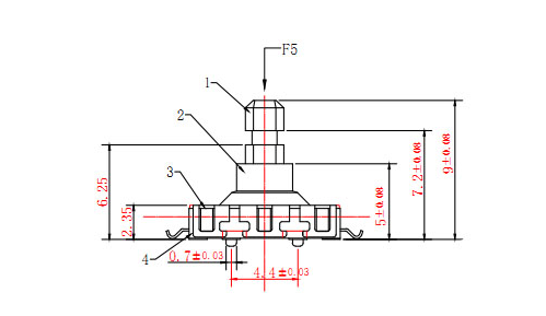
五向开关尺寸图

五向轻触开关用途比较广泛的就是游戏手柄上的方向按键,不过现在很多显示器也使用五向开关作为按钮,一是解决了布局的空间外观更好设计一体化,二是少了很多实体键成本也减低了。

常规的轻触开关大多都是只有2个功能,开和关,五向轻触开关给了符合更多应用场景的功能,除了保留原有的按压开关后,还有上下左右等调节功能。五向开关的参考标准有,全回转角度,回转扭力, 轴推拉强度, 输出信号,分解度,耐电压,绝缘抵抗, 寿命等。五向开关的特殊性,可以给很多的新产业产品使用,无人机的手柄等等,同时演化出更多方向应用需求。


颖鑫官方微信

电       话:0769-33373777  
传       真:0769-83632283    联 系  人:陈心龙(业务经理)
手       机:13827297626       QQ/微信:435281082   
邮       箱:yingxindg@126.com
地       址:东莞市樟木头镇圩镇荔苑路7号泰安城3栋810室
东莞市颖鑫电子科技有限公司 版权所有 2011-2026

颖鑫电子专业生产:防水轻触开关,带灯轻触开关,硅胶按键开关,耐高温贴片轻触开关,带支架轻触开关,母座,USB连接器